
Air Bearing
空氣軸承平台擁有良好的平直度與極低摩擦力,適於在高精度應用。線性馬達驅動。沒有接觸摩擦損耗,能長期保有精度。兩個單軸可直接疊成X-Y。使用空氣軸承當軌道配上螺桿驅動也是可行的,有這方面實質需求我們也可提供。
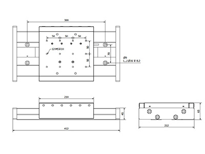
| 型式 | 寬度 | 行程 |
|---|---|---|
| AB | 210 | 170 |
| 220 | ||
| 270 | ||
| 250 | 170 | |
| 220 | ||
| 270 |
| 馬達線色 |
|---|
| M1:黃/橙 |
| M2:藍/綠 |
| M3:棕/黑 |
| PE:隔離網 |
| 光學尺接頭 | |||
|---|---|---|---|
| 15 PIN D-Sub/Male | |||
| 1 | Right Limit+ | 9 | Ground |
| 2 | Ground | 10 | Left Limit+ |
| 3 | Right Limit- | 11 | Left Limit- |
| 4 | Index- | 12 | Index+ |
| 5 | B- | 13 | B+ |
| 6 | A- | 14 | A+ |
| 7 | 5V | 15 | Do not connect |
| 8 | 5V | ||
33044桃園市桃園區同安街336巷83號 統一編號:28139716
No.83, Ln. 336, Tong’an St., Taoyuan Dist., Taoyuan City 330, Taiwan (R.O.C.)





